
Газосепараторы ГС
Газосепаратор сетчатый ГС – это фильтрующее оборудование, которое используется при очистке нефтяных и газовых смесей от жидких примесей и углеводородов.
От -30 до 100 °C
Сталь 16ГС, 09Г2С
ООО "НПО "Спецнефтемаш"
Типоразмеры в наличии:
Газовые сепараторы сетчатые применяются на нефте- и газодобывающих месторождениях, хранилищах и скважинах. Газосепаратор ГС попутно очищает нефтяную смесь от пыли и других частиц природного происхождении, углеводородов.
Влагомаслоотделитель он же сепаратор газовый применяется в следующих предприятиях:
- На общепромышленных предприятиях: металлургических, химических, предприятиях металлообработки, пищевой промышленности, деревообрабатывающей, предприятиях автомобилестроения, производства стройматериалов.
- На нефтегазовых предприятиях для очистки газовой смеси от примесей и водного конденсата, дегазация нефти на факельной линии, в котельных и газотурбинах, для дегазации буровых растворов, в очистке сжатого воздуха в буровых установках.
- В горно-рудной промышленности для очистки газов в шахтах от пыли, для защиты насосов от примесей, для очищения от воды в утилизации газов в газотурбинах, для очистки природного газа при газоподготовке.
Кроме того сепаратор газовый применяют при транспортировке и утилизации жидкостей.
Принцип работы и устройство сепаратора
Газосепараторы сетчатые ГС - это вертикальный цилиндр различного объема (в зависимости от целей).
Этапы работы:
- подача газового вещества в центральную часть цилиндра;
- прохождение коагулятора и сетчатой насадки в которых ликвидируется капельная жидкость;
- выход чистого газового вещества из верхней части конструкции.
При этом отделенная влага собирается в нижней части сепаратора в виде конденсата и при достижении определенного уровня (в емкость встроен уровнемер) сбрасывается в дренажную емкость.
В газосепараторе сетчатом также есть следующие приборы:
- манометр;
- запорная арматура;
- предохранительный клапан;
- сигнализатор уровня конденсата.
Смысл работы сепаратора основывается на физических свойства веществ. При размещении сепаратора газа на насосе, при поступлении внутрь смести и тяги, создается своеобразная центрифуга. Воздействуя различными насадками, газосепаратор разделяет более тяжелые вещества от более легких. Соответственно капли влаги выделяются первыми, а газ последним.
Газосепаратор сетчатый цилиндрический должен выполнять следующие функции:
- контролировать операции и рассеивать энергию движения вещества;
- защитить субстанцию от повторного попадания жидкости;
- снизить скорость входа смеси для разделения на начальной стадии;
- удержать жидкость на время работы растворенного газа от других примесей природного происхождения.
Цилиндр должен быть оснащен дополнительными приборами и датчиками для регулирования уровней и движения жидких и газовых веществ. Вертикальный газовый сепаратор должен быть оснащен отверстиями стандартного размера для подачи и вывода жидкости. Фильтр-сепаратор для очистки газа оснащается емкостями для скопленной жидкости и отделом для конденсата.
Газовый сепаратор производится по общероссийским и мировым стандартам ОСТ26-02-2059-79 и ТУ3615-001-24009276-2015.
Материальное исполнение:
- Газосепаратор ГС1. Температура работы варьируется от -30 градусов Цельсия до 100 градусов Цельсия. Используется низкоколегированная конструкционная сталь 09Г2С-12 для сварных конструкций;
- 2. Газосепаратор ГС2. Температура использования от – 60 градусов по Цельсию до 100. Используется сталь низколегированная 09Г2С-8 для котлов и сосудов, работающих под давлением.
Основные типы:
В таблице рассмотрены основные типы газосетчатых сепараторов и их характеристики.
| Тип аппарата | Конструктивная особенность | Объем, м3 | Давление, МПа | Диаметр, мм |
| Тип 1 | цилиндрические вертикальные с корпусным фланцевым разъемом диаметром 600, 800мм. | 0,8 - 1,6 | 1,6 - 8,8 | 600 - 800 |
| Тип 2 | цилиндрические вертикальные диаметром 1200, 1600, 2000мм | 4,0 - 16 | 0,6 - 8,8 | 1200 - 2000 |
Также газовые сепараторы разделяются на следующие типы:
- в зависимости от сил, действующих на газ: гравитационные, инерционные, смешанные, центробежные;
- в зависимости от формы и расположению: сфера, цилиндр (горизонтальный и вертикальный);
- в зависимости от положения водосборника: внутри, снаружи;
- в зависимости от давления.
Менее эффективные – гравитационные газосепараторы. Это связано с маленьким объемом. Степень очистки составляет 70-90%. Принцип действия основан на остановке движения газа, при котором вода осаживается, а газ поднимается вверх.
Инерционные сетчатые сепараторы более популярны и эффективны (очистка составляет 95-99%). Они действуют таким образом, что твердые частицы и вода застревают в фильтрующих пластинах и газ спокойно выходит из рабочей камеры. Однако цена сетчатого газосепаратора инерционного довольно высокая из-за фильтрующих пластин.
Самое популярное сетчатое оборудование для фильтра газа – устройства, основанные на центробежной силе. Эффективность составляет 98-99% и, обладая небольшими размерами, может соединяться в комплекс и выдерживать большое давление.
Комплектация фильтра-сепаратора газового
Для стандартного исполнения характерен следующий комплект поставки сепарационного газового фильтра:
- Фильтр в сборе, со всеми внутренними компонентами.
- Ответные фланцевые соединительные детали, крепежные элементы, уплотнительные прокладки.
- Защитные устройства, предотвращающие поражение электротоком, в том числе при коротком замыкании, и предупреждающие воздействие статических электроразрядов.
- ЗИП-комплект.
- Сопроводительные документы — свидетельство об изготовлении, инструкция по эксплуатации и прочие.
В число комплектующих, поставляемых в качестве допоборудования, входят:
- Контрольно-измерительные приборы для мониторинга состояния технологического процесса.
- Затвор байонетный быстросъемный.
- Обтюраторы (поворотные заглушки), применяемые при выполнении гидравлических испытаний и необходимые для отсечки механизма от магистрали.
- Трубопроводная арматура (запорная, запорно-регулирующая, предохранительная).
- Система контроля степени заполнения аппарата жидкостью, работающая в автоматическом режиме. В комплект включены КИП и запорно-регулирующая арматура.
- Теплообменное оборудование и теплоизоляция.
- Технологические приспособления для удобства и безопасности проведения техобслуживания находящихся на высоте устройств.
Последний пункт предполагает оснащение аппарата площадкой, защищенной антикоррозийным покрытием от агрессивного воздействия окружающей среды. На площадку устанавливают пешеходный настил, лестницу, обустраивают поручни.
Преимущества фильтра-сепаратора газового
Из достоинств оборудования упоминают:
- высокую эффективность сепарации (99,9%) независимо от давления, пропускной способности и рабочей среды (газ, жидкость любого объема и дисперсного состава);
- способность обеспечивать заданную степень сепарации за счет поддержки максимальной центробежной силы, эффективной для данного типоразмера, при изменении давления и производительности;
- особенности конструкции, в составе которой отсутствуют вращающиеся и трущиеся детали;
- свойство фильтрующего элемента, такое как гидрофобность, обеспечивающее полное удаление капель, тумана и механических включений;
- ремонтопригодность;
- простоту монтажа и дальнейшего использования оборудования;
- продолжительный период эксплуатации.
Условия эксплуатации газовых сепараторов
Эксплуатация газовых сепараторов различаются по следующим характеристикам: температура, давление, сейсмичность, объем жидкости.
- Температура условий работы не должна быть ниже -30°С (для ГС-1) и - 60°С (для ГС-2) и выше 100°С;
- Давление не должно быть ниже 0,6 Мпа. Высший предел не ограничен. В среднем нормальное давление должно составлять 2.5 Мпа;
- Устанавливается в районах с высокой сейсмической активностью (до 9 баллов);
- Объем воды на входе не должен быть более 200 см³/м³, а на выходе не более 20 см³/1000 м³ газа.
При необходимости газовый фильтр-сепаратор может быть произведены с термическим покрытием от коррозии.
Структурная схема и пример условного обозначения сепаратора газового:
Сетчатый газосепаратор второго типа рассчитанный на давление 3,5 МПа с диаметром цилиндра 1200 мм изготовленный из стали 09Г2С-8 включающий крепление теплоизоляции и термообработку.
Производство газосепараторов
При производстве сепаратора газа строго соблюдаются технические стандарты и регламенты. Использование различных видов стали обязывает производителя узнавать об условиях эксплуатации оборудования. При изготовлении сталь проверяется на брак, чтобы в последствии не было отказа работоспособности сепаратора.
Чтобы исключить возможность брака, производство газосепараторов сетчатых оснащается автоматическими производственными линиями и системой контроля качества. Это позволяет приблизить контроль точности сборки и стандартов к 100%.
Прежде чем газосепаратор отправится в работу, каждая единица проверяется и тестируется в условиях, граничащих с критическими. Это позволяет найти слабое место и исправить. Все сетчатые сепараторы производятся на основе мировых и российских стандартов.
Поставка сетчатых газосепараторов реализуется через авто или ж/д транспорт напрямую с завода.
Требования к сейсмичности площадки строительства
Благодаря передовым технологиям производства, сепарационное оборудование ООО НПО "Спецнефтемаш" способно выдерживать сейсмические воздействия вплоть до 9 баллов по шкале MSK-64. Проведенные в сентябре 2017 года испытания подтвердили это на практике, в результате чего был получен Сертификат Соответствия требованиям нормативных документов ГОСТ 30546.1-98, ГОСТ 30546.2-98, ГОСТ 30546.3-98.
Таким образом, если вам необходимо качественное сепарационное оборудование при строительстве объектов нефте-газовой промышленности в сейсмически активных районах, ООО НПО "СпецНефтеМаш" готов удовлетворить ваш спрос.
Информация для клиентов
ООО "НПО "Спецнефтемаш" специализируется на изготовлении и продаже газосепараторов сетчатых по принятым техническим регламентам и стандартам из различных материалов.
Компания предлагает качественное оборудования для очистки природного газа, эксплуатируемое в любых природных условиях.
Заказать газосепаратор можно для любых веществ и условий эксплуатации в том числе и на грани критических. А также можно купить газосепаратор в Харовске уже готовый для стандартных условий.
ООО "НПО "Спецнефтемаш" старается держать приемлемые цены и высокое качество продукции.
Все вопросы по способам изготовления, ценам, контролю качества, реализации газосепараторов ГС можно получить по телефонам на сайте. Если Вам необходим прайс-лист, то запросите его у менеджеров компании.
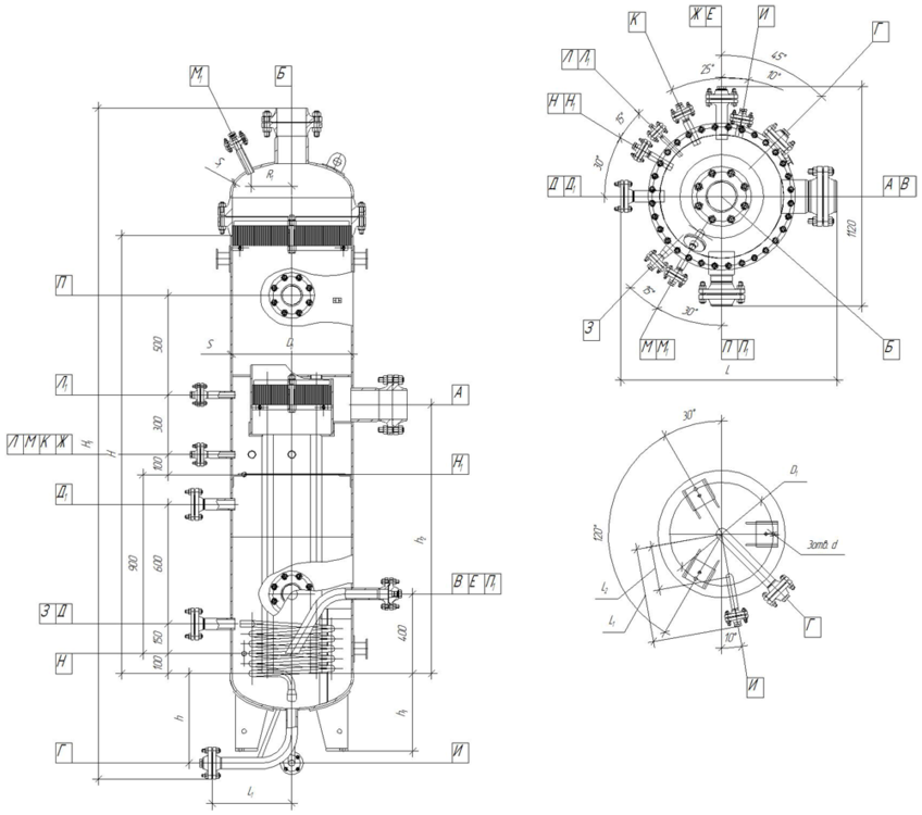
Типовые чертежи
ТЕХНИЧЕСКИЕ ХАРАКТЕРИСТИКИ
-
Основные параметры газосепараторов сетчатых
Диаметр, мм Объем, м³ Обозначение Давление, МПа Производительность по газу м³/час 600 0,8 ГС-1-2,5-600 2,5 10210 ГС-1-4,0-600 4,0 13580 ГС-1-6,3-600 6,3 16155 ГС-1-8,8-600 8,8 16530 800 1,6 ГС-1-1,6-800 1,6 12795 ГС-1-2,5-800 2,5 19500 ГС-1-4,0-800 4,0 24140 ГС-1-6,3-800 6,3 28715 ГС-1-8,8-800 8,8 29380 1200 4,0 ГС-1-1,0-1200 1,0 19500 ГС-1-1,6-1200 1,6 28770 ГС-1-2,5-1200 2,5 40795 ГС-1-4,0-1200 4,0 54280 1200 4,0 ГС-2-6,3-1200 6,3 64555 ГС-2-8,8-1200 8,8 66055 1600 8,0 ГС-2-0,6-1600 0,6 23255 ГС-2-1,0-1600 1,0 34670 ГС-2-1,6-1600 1,6 51150 ГС-2-2,5-1600 2,5 72540 ГС-2-4,0-1600 4,0 96515 ГС-2-6,3-1600 6,3 114805 2000 16,0 ГС-2-1,0-2000 1,0 54170 ГС-2-1,6-2000 1,6 79920 ГС-2-2,5-2000 2,5 113335 ГС-2-4,0-2000 4,0 150795 -
Таблица штуцеров газосепараторов сетчатых
Обозначение Назначение Размеры в зависимости от объёма аппарата А Вход газа 150–350 Б Выход газа 150–350 В Выход конденсата 50–100 Г Дренаж 50 Д Уровнеметр 50 Е Термометр по запросу Ж Термопреобразователь 50/М20х1,5 З Вход теплоносителя 20–25 И Выход теплоносителя 20–25 К Для манометра М20х1,5; Ду 50 Л Отбор давления 50 М Дифманометра по запросу Н Указатель уровня 15–50 П Люк 100–450 -
Габариты газосепараторов сетчатых
Обозначение ГС Диаметр внутренний Дв1, мм S S1 H1 h h1 h2 h3 h4 h5 L L1 D1 d1 ГС1-2,5-600 600 8 10 3355 390 450 1350 — — — 1100 400 520 19 ГС1-4,0-600 10 12 3400 394 1100 ГС1-6,3-600 14 18 3400 400 1130 ГС1-8,8-600 18 22 3690 420 1155 24 ГС1-1,6-800 800 8 8 3740 470 500 1400 1300 500 720 ГС1-2,5-800 10 10 3785 473 1330 ГС1-4,4-800 12 14 3865 495 1340 ГС1-6,3-800 18 22 4050 505 1380 ГС1-8,8-800 25 28 4290 513 1495 ГС1-1,0-1200 1200 6 8 4635 555 510 300 900 1570 160 400 1774 1100 35 ГС1-1,6-1200 10 10 4670 570 530 1778 ГС1-2,5-1200 12 14 4690 575 590 1775 ГС1-4,0-1200 16 20 4770 600 620 1805 ГС1-6,3-1200 24 30 4880 610 635 1990 ГС1-8,8-1200 36 45 5010 640 670 2120 ГС1-0,6-1600 1600 6 8 5150 655 635 1000 1675 180 500 2185 1410 ГС1-1,0-1600 8 10 5270 670 655 2184 ГС1-1,6-1600 10 12 5270 670 735 ГС1-2,5-1600 16 18 5350 700 765 2215 ГС1-4,0-1600 22 25 5450 705 775 2340 ГС1-6,3-1600 36 45 5710 740 965 2475 42 ГС1-1,0-2000 2000 10 12 6260 770 910 350 1300 1900 220 550 2578 1810 ГС1-1,6-2000 12 14 6290 800 945 2580 ГС1-2,5-2000 18 20 6410 805 980 2620 ГС1-4,0-2000 25 32 6420 835 2668